Product Description
Atlas Bipod BT28: AFAR Rail Kit
Atlas Bipod BT28: AFAR Rail Kit will mount into accessory rails and provide a low profile 1913 Picatinny rail. A great option for shooters that have accessory rails and want to use their rail mounted Atlas on several rifles.
Details:
First of all, the BT28 AFAR Rail Kit is ready to install. Comprised of uniquely dimensioned nuts will fit into some accessory rail slots in one direction or rotated 90 degrees to another dimension.
Tip: We suggest using Loctite 243 when installing.
Features
Construction: Machined to Picatinny rail standards from 6061-T6 aluminum with Mil-Spec Type III Class 2 finish with 4041 Alloy Steel fasteners.
Specifications
- Length: 2.05″
- Weight: 0.89 ounces
Attention before purchase:
The photo of the three stocks from the top; Bell and Carlson, Sako TRG and Accuracy International for demonstration only. The rails were prototypes in the “white” and rejected due to slot location. The slots are centered on the ones we are selling.
Common issue:
While we referenced what we believed to be bonafide “Anshutz” and ‘Freeland” rails, we have had some customers with “Anshutz” and ‘Freeland” accessory rails that the Afar rail nuts do not fit.
Our solution:
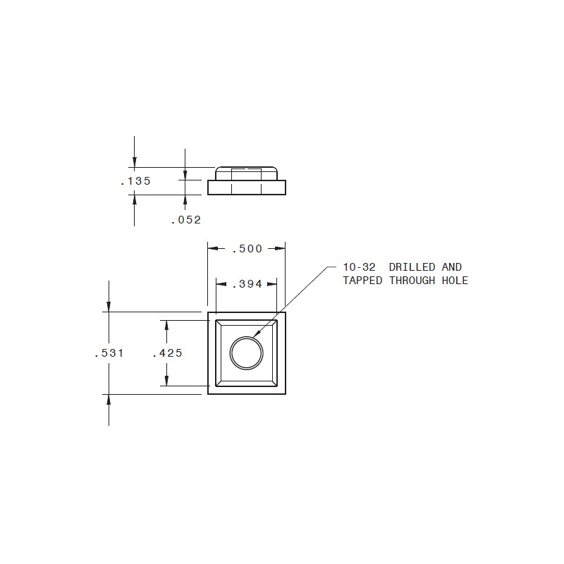
We strongly recommend that you reference the dimensions in the second picture for the “Afar” rail nuts to ensure proper fit of these nuts into the slot of your accessory rail. These are steel and can be modified to fit most slots but the decision to do so is completely left to you.









Reviews
There are no reviews yet.